Zhejiang Sehnaider Electric Co., Ltd.
Zhejiang Sehnaider Electric Co., Ltd.
Продукция
LMZJ1-0.5-50 Трансформаторы тока
  • LMZJ1-0.5-50 Трансформаторы токаLMZJ1-0.5-50 Трансформаторы тока

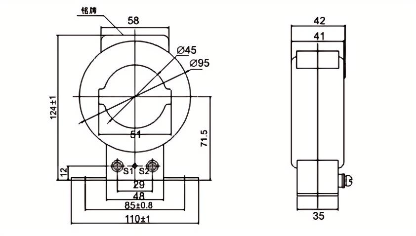
LMZJ1-0.5-50 Трансформаторы тока

Трансформаторы тока LMZJ1-0.5-50 предназначены для точного измерения и защиты в электрических системах. Благодаря номинальному току 0,5-50А эти трансформаторы обеспечивают надежную производительность в широком диапазоне приложений.

Серия LMZJ1-0,5-50 имеет высокую точность, ошибку с низкой фазой и превосходную линейность, обеспечивая точное измерение уровней тока. Эти текущие трансформаторы имеют компактные по размеру, что делает их простыми в установке и подходящими для использования в различных промышленных средах. Благодаря надежным строительным и высококачественным материалам, трансформаторы тока LMZJ1-0,5-50 обеспечивают долгосрочную стабильность и долговечность. Доверие трансформаторы тока LMZJ1-0.5-50 для точного измерения тока и надежной защиты в ваших электрических системах.


Спецификация

Оцененное напряжение 500 В.
Номинальная частота 50 Гц
Оцененный первичный ток 10a, 12,5a, 15a, 20a, 25a .., 6000a
Оценка вторичного тока 5а; 1A
Вторичная мощность нагрузки
фактор
0,8 (задержка)
Рейтинг вывода 2,5va, 5va, 10va, 20va
Точность 0,2; 0,2 с; 0,5; 0,5 с
Сопротивление изоляции устойчивость к изоляции первичной обмотки ко вторичной обмотке
и на землю ≥20 мД
Частота мощности
Выдерживая напряжение
Выдержать достоверную ценность первичной обмотки вторичной обмотке
и на землю ≥ 3 кВ



Горячие Теги: LMZJ1-0.5-50 Трансформаторы тока
Отправить запрос
Контакты
  • Адрес

    Индустриальная зона Сяньянга, Юкин, Чжэцзян, Китай

  • Электронная почта

    river@dahuelec.com

Если у вас есть какие -либо запросы о цитате или сотрудничестве, пожалуйста, не стесняйтесь написать нам по электронной почте по адресу River@dahuelec.com или использовать следующую форму запроса. Наш торговый представитель свяжется с вами в течение 24 часов. Спасибо за ваш интерес к нашей продукции.
X
We use cookies to offer you a better browsing experience, analyze site traffic and personalize content. By using this site, you agree to our use of cookies. Privacy Policy
Reject Accept