Zhejiang Sehnaider Electric Co., Ltd.
Zhejiang Sehnaider Electric Co., Ltd.
Продукция
BH-0.66-50 Трансформаторы тока
  • BH-0.66-50 Трансформаторы токаBH-0.66-50 Трансформаторы тока

BH-0.66-50 Трансформаторы тока

Трансформаторы тока BH-0,66-50 представляют собой точные инструменты, предназначенные для точного измерения и мониторинга электрических токов в различных промышленных применениях. С рейтингом тока 50А и коэффициентом преобразования 0,66 эти трансформаторы обеспечивают надежные и точные возможности измерения тока.

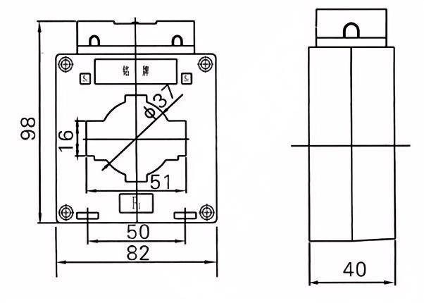
Трансформатор тока эпоксидной смолы в помещении или трансформатор тока пластикового корпуса в помещении

• Одиночная фаза, двухфазная или три этапа.

• Оцененное напряжение: 0,66 кВ

• Класс измерения для КТ: 0,2S, 0,2,0,5, 0,5 с.

• Стандарт: IEC61869-2

• Тип Имя: BH-0.66-50

Этот трансформатор тока сухого типа в помещении используется в 0,66 кВ, 0,75 кВ. энергосистема, для измерения и защиты.

Он использовался в распределительных устройствах кабинга или на установленных заливах переключающих станций.

Трансформаторы тока BH-0,66-50 изготавливаются из эпоксидной смолы с высокой температурой в помещении, ядра аморфного сплава для измерения и высокого качества внутреннего ядра для защиты, первичного и вторичного использования чистой электролитической меди.


Приложения:

Системы распределения энергии

Системы управления энергией

Мониторинг промышленного оборудования

Возобновляемые энергетические системы


1. Премиум материалы

Высококачественные ядра: кремниевая сталь или нанокристаллические ядра с точностью ламитала или нанокристаллические ядра для минимальных потерь и высокой линейности.  

Надежная изоляция: эпоксидная смола обеспечивает долгосрочную стабильность в суровых условиях.  


2. превосходная производительность

Точность: класс 0,2/0,5 для измерения, 5p/10p для защиты, соответствует IEC 61869, 60044, IEEE и стандартам ANSI.  

Широкий диапазон: поддерживает системы 0,6 кВ-36 кВ, с пользовательскими соотношениями/частотой (50/60 Гц).  

Низкий тепловой рост: оптимизированный дизайн уменьшает перегрев, продлевая срок службы.  

Иммунитет EMC: щиты против электромагнитных помех для надежных сигналов.  


3. Сервис и поддержка

Пользовательские решения: индивидуальные соотношения, размеры или разъемы (например, DIN Rail, терминалы IEC).  

Глобальные сертификаты: МЭК, CE, ISO и разрешения местной сетки.  

Техническая помощь на протяжении всей жизни: 24/7 поддержка, руководство по установке и запасные части.  

Быстрая доставка: стандартные продукты через 2-4 недели; Ускоренные варианты срочных потребностей.  


Основные технические параметры

Оценка первичной
ток (а)
Точность
классы
комбинация
Оценка вторичного вывода (VA) 1s тепловой ток (Ka) Рейтинг динамического тока (Ka)
0,2 (с) 0.2 0.5 10p10
5-40 0,2/10p10
0,5/10p10
/ 10 10 15 90line 220line
5-40 100line 250line
5-40 20 50
5-40
5-40 36 90
10
5-40 45 100
5-40 56 100
5-40
5-40 80 110
5-40 100 110




Горячие Теги: BH-0.66-50 Трансформаторы тока
Отправить запрос
Контакты
  • Адрес

    Индустриальная зона Сяньянга, Юкин, Чжэцзян, Китай

  • Электронная почта

    river@dahuelec.com

Если у вас есть какие -либо запросы о цитате или сотрудничестве, пожалуйста, не стесняйтесь написать нам по электронной почте по адресу River@dahuelec.com или использовать следующую форму запроса. Наш торговый представитель свяжется с вами в течение 24 часов. Спасибо за ваш интерес к нашей продукции.
X
Мы используем файлы cookie, чтобы предложить вам лучший опыт просмотра, анализировать трафик сайта и персонализировать контент. Используя этот сайт, вы соглашаетесь на использование нами файлов cookie. политика конфиденциальности
Отклонять Принимать