Zhejiang Sehnaider Electric Co., Ltd.
Zhejiang Sehnaider Electric Co., Ltd.
Продукция
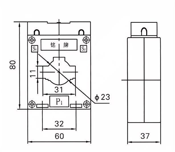
BH-0.66-30 Трансформаторы тока
  • BH-0.66-30 Трансформаторы токаBH-0.66-30 Трансформаторы тока

BH-0.66-30 Трансформаторы тока

Трансформаторы тока BH-0,66-30 (CTS) представляют собой прецизионные инструменты, разработанные для точного измерения тока и мониторинга в электрических системах с низким напряжением. При номинальном изоляционном напряжении 0,66 кВ эти трансформаторы идеально подходят для управления энергопотреблением, защитного ретрансляции и измерения.

Функции:

Высокая точность: соответствует стандартам IEC 61869, обеспечивая надежную производительность в целях выставления счетов и мониторинга.

Компактный дизайн: строящаяся конструкция для легкой установки в плотных пространствах.

Широкий диапазон тока: первичный ток до 30А, подходит для разнообразных промышленных и коммерческих нагрузок.

Прочные материалы: надежное жилье обеспечивает устойчивость к факторам окружающей среды и механическим напряжениям.

Соответствие безопасности: BH-0.66-30 Текущие трансформаторы, соответствующие международным сертификатам безопасности и производительности.


Приложения:

Энергетическое измерение в системах распределения мощности.

Защита от перегрузки в цепи и реле.

Интеграция с интеллектуальными сетками и решениями для мониторинга на основе IoT.

Технические спецификации:

Оцененное напряжение: 0,66 кВ

Частота: 50/60 Гц

Класс точности: 0,5, 1,0 (настраиваемый)

Бремя: согласно требованиям клиента


Основные технические параметры

Оценка первичной
ток (а)
Точность
классы
комбинация
Оценка вторичного вывода (VA) Тепловой ток (ка) Рейтинг динамического тока (Ka)
0,2 (с) 0.2 0.5 10p10
5-40 0,2/10p10
0,5/10p10
/ 10 10 15 90line 220line
5-40 100line 250line
5-40 20 50
5-40
5-40 36 90
10
5-40 45 100
5-40 56 100
5-40
5-40 80 110
5-40 100 110


Горячие Теги: BH-0.66-30 Трансформаторы тока
Отправить запрос
Контакты
  • Адрес

    Индустриальная зона Сяньянга, Юкин, Чжэцзян, Китай

  • Электронная почта

    river@dahuelec.com

Если у вас есть какие -либо запросы о цитате или сотрудничестве, пожалуйста, не стесняйтесь написать нам по электронной почте по адресу River@dahuelec.com или использовать следующую форму запроса. Наш торговый представитель свяжется с вами в течение 24 часов. Спасибо за ваш интерес к нашей продукции.
X
Мы используем файлы cookie, чтобы предложить вам лучший опыт просмотра, анализировать трафик сайта и персонализировать контент. Используя этот сайт, вы соглашаетесь на использование нами файлов cookie. политика конфиденциальности
Отклонять Принимать